Kính hiển vi kim tương soi ngược Olympus GX53
- Thương hiệu Nhật Bản
- Độ chính xác cao
- Liên hệ để được tư vấn và báo giá
| Loại kính | Kim tương soi ngược |
| Ứng dụng | Kiểm tra tế vi, độ dày lớp mạ |
- Thương hiệu: OLYMPUS
- Mã sản phẩm: GX53
Kính hiển vi đảo ngược GX53 có độ rõ hình ảnh vượt trội và độ phân giải xuất sắc ngay cả ở độ phóng đại cao. Với các phụ kiện như mâm xoay mang mã hóa và phần mềm đi kèm, thiết kế mô-đun của kính cho phép dễ dàng tùy chỉnh theo nhu cầu sử dụng của bạn.

Tính năng đặc biệt của kính hiển vi kim tương soi ngược Olympus GX53
Phân tích nhanh các mẫu vật dày, kích thước lớn
- Được thiết kế để sử dụng trong các ngành công nghiệp như thép, ô tô, điện tử và các lĩnh vực sản xuất khác, kính hiển vi GX53 mang lại hình ảnh sắc nét – điều mà các phương pháp quan sát hiển vi thông thường khó đạt được.
- Khi kết hợp với phần mềm phân tích hình ảnh PRECiV, kính hiển vi này giúp tối ưu quy trình kiểm tra, từ quan sát đến phân tích hình ảnh và tạo báo cáo.
Kiểm tra nhanh chóng, tính năng nâng cao
Quan sát, đo lường và phân tích cấu trúc luyện kim một cách nhanh chóng.
Công cụ phân tích nâng cao
- Kết hợp nhiều phương pháp quan sát để tạo ra hình ảnh chất lượng cao.
- Dễ dàng tạo ảnh toàn cảnh (panorama).
- Tạo hình ảnh lấy nét toàn bộ (all-in-focus).
- Ghi lại đồng thời cả vùng sáng và vùng tối trong mẫu vật.
Tối ưu cho khoa học vật liệu
- Phần mềm được thiết kế chuyên biệt cho lĩnh vực khoa học vật liệu.
- Hỗ trợ phân tích luyện kim tuân thủ các tiêu chuẩn công nghiệp.
Thân thiện với người dùng
Ngay cả người mới bắt đầu cũng có thể dễ dàng quan sát, phân tích và tạo báo cáo.
- Dễ dàng khôi phục các thiết lập ban đầu của kính hiển vi.
- Có hướng dẫn sử dụng giúp đơn giản hóa các bước phân tích nâng cao.
- Tạo báo cáo nhanh chóng và hiệu quả.
Công nghệ hình ảnh tiên tiến
Công nghệ quang học và xử lý hình ảnh đã được kiểm chứng giúp tạo ra hình ảnh rõ nét và kết quả đáng tin cậy.
- Hiệu suất quang học ổn định nhờ khả năng kiểm soát sai lệch sóng.
- Hình ảnh rõ nét với chức năng hiệu chỉnh độ che sáng.
- Nhiệt độ màu ổn định nhờ đèn LED trắng cường độ cao.
- Đo lường chính xác với tính năng hiệu chuẩn tự động.
Thiết kế mô-đun linh hoạt
Cho phép người dùng tùy chỉnh hệ thống phù hợp với nhu cầu cụ thể, xây dựng hệ thống theo cách riêng với nhiều linh kiện tùy chọn.

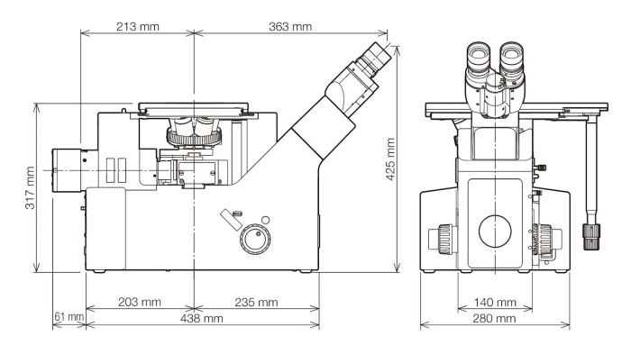
Thông số kỹ thuật kính hiển vi kim tương soi ngược Olympus GX53
|
Hạng mục |
Chi tiết |
|
Thân kính hiển vi |
Chiếu sáng phản xạ ánh sáng: - Chọn chế độ sáng trường/tối trường bằng gương phản xạ - Công tắc chuyển đổi trường sáng/khẩu độ có thể căn chỉnh - Nguồn sáng: Đèn LED trắng (có quản lý cường độ sáng), đèn halogen 12V 100W, đèn thủy ngân 100W, hoặc nguồn sáng dạng cáp quang - Chế độ quan sát: Sáng trường, Tối trường, Tương phản giao thoa vi sai (DIC)¹, Phân cực đơn giản¹, Chế độ MIX (tối trường 4 hướng)*² *¹ Cần dùng thanh trượt chuyên dụng *² Cần cấu hình chế độ MIX |
|
Khắc vạch đo (scale) |
Tất cả các cổng đầu ra được đảo vị trí trên/dưới so với hình ảnh qua thị kính |
|
Cổng xuất hình trước (tùy chọn) |
Kết nối hệ thống camera hoặc DP, hình ảnh đảo ngược, sử dụng ngàm gắn camera chuyên dụng cho GX |
|
Cổng xuất hình bên (tùy chọn) |
Kết nối hệ thống camera hoặc DP, hình ảnh xuôi |
|
Hệ thống điện |
- Chiếu sáng phản xạ - Nguồn LED tích hợp cho chiếu sáng phản xạ - Núm xoay điều chỉnh cường độ sáng liên tục - Điện áp đầu vào: 5V DC, 2.5A (hoặc adapter AC 100–240V, 0.4A, 50/60Hz) - Giao tiếp ngoài (yêu cầu hộp điều khiển tùy chọn BX3M-CBFM): • Cổng kết nối mâm vật kính có mã hóa ×1 • Cổng thanh trượt MIX (U-MIXR-2) ×1 • Tay cầm BX3M-HS ×1 • Tay cầm U-HSEXP ×1 • RS-232C ×1, USB 2.0 ×1 |
|
Lấy nét |
- Hệ thống thanh răng & bánh răng với con lăn dẫn hướng - Tay xoay đồng trục tinh chỉnh và chỉnh thô thủ công - Hành trình lấy nét: 9 mm (2 mm phía trên, 7 mm phía dưới bàn soi) - Độ dịch chuyển tay tinh chỉnh mỗi vòng: 100 μm (độ chia nhỏ nhất: 1 μm) - Độ dịch chuyển tay thô mỗi vòng: 7 mm - Có vòng chỉnh lực cho tay thô - Có chốt giới hạn hành trình cho tay thô |
|
Thị kính (Tube) |
Trường rộng (FN 22) - Loại đảo ngược: Nhị kính (U-BI90, U-BI90CT), nhị kính nghiêng (U-TBI90) |
|
Mâm xoay vật kính |
- Lỗ sáng trường: 4 đến 7 vị trí, loại: Thủ công/Có mã hóa, hỗ trợ căn chỉnh - Lỗ sáng/tối trường: 5 đến 6 vị trí, loại: Thủ công/Có mã hóa, hỗ trợ căn chỉnh |
|
Bàn soi (Stage) |
- Bàn tay phải dành cho GX (hành trình X/Y: 50 × 50 mm, tải trọng tối đa 5 kg) - Bàn tay phải linh hoạt, bàn tay trái ngắn (mỗi loại: hành trình X/Y: 50 × 50 mm, tải trọng tối đa 1 kg) - Bàn trượt (tải trọng tối đa 1 kg) - Bộ lỗ dạng giọt nước và dạng dài |
|
Khối lượng |
Khoảng 25 kg (thân kính hiển vi: 20 kg) |
|
Môi trường hoạt động |
- Dùng trong nhà - Nhiệt độ môi trường: 5 đến 40 °C (45 đến 100 °F) - Độ ẩm tương đối tối đa: 80% ở 31 °C (không ngưng tụ) • Trên 31 °C, độ ẩm giảm tuyến tính: 70% tại 34 °C, 60% tại 37 °C, và 50% tại 40 °C - Mức độ ô nhiễm: Cấp 2 (theo IEC60664-1) - Cấp quá áp/lắp đặt: Cấp II (theo IEC60664-1) - Biến động điện áp: ±10% |

